PHYSICS BYTES

Rank Booster Test Series - 09

TOPIC : Current Electricity

BEWARE OF NEGATIVE MARKING
1.
A conductor obeys Ohm's law. The graph correctly representing relation between drift velocity $v_{d}$ and applied electric field E is Graph
(1) Straight line passing through origin
(2) Parabola
(3) Hyperbola
(4) Constant
2.
The potential difference between points C and D in the given figure is Circuit
(1) 3.6 V
(2) 7.2 V
(3) 12 V
(4) 0 V
3.
In the circuit shown if $R_{1}=10~\Omega,$ $R_{2}=20~\Omega,$ $R_{3}=30~\Omega$ and the potentials of points A, B and C are 10V, 6V and 5V respectively: The current though resistance $R_{1}$ is: Circuit
(1) 0.1 A
(2) 0.2 A
(3) 0.3 A
(4) 0.4 A
4.
The resistance of rheostat shown in fig is 20 Ω. Neglecting the ammeter resistance find the maximum current through ammeter as the rheostat is varied : Circuit
(1) 0.2 A
(2) 0.5 A
(3) 1.5 A
(4) 1 A
5.
If $k_{1}$ and $k_{2}$ are closed, the ammeter reads 6.0 amp. If $k_{1}$ is closed and $k_{2}$ is open, then ammeter will read: Circuit
(1) $\frac{9}{11}amp$
(2) $\frac{90}{11}amp$
(3) 9 amp
(4) 11 amp
6.
V-i graphs for parallel and series combination of two identical resistors are as shown in fig. Which graph represents parallel combination Graph
(1) A
(2) B
(3) A and B both
(4) Neither A nor B
7.
In the circuit shown in figure the 5Ω resistor develops a heat of 10 cal/s due to the current flowing through it. The heat developed per second in the 2Ω resistor is: Circuit
(1) 4.1 cal
(2) 7.1 cal
(3) 9.2 cal
(4) 10.2 cal
8.
In a meter bridge experiment null point is obtained at 50 cm from one end of wire when resistance X is balanced against another resistance Y. If $Y>X$ then where will be the new position of null point from the same end if one decides to balance a resistance of 4X against Y:
(1) 50 cm
(2) 80 cm
(3) 40 cm
(4) 70 cm
9.
In the given circuit, the voltage across 60Ω is measured with a voltmeter of resistance 120Ω. Find the percentage error in the measurement of voltage: Circuit
(1) 10%
(2) 20%
(3) 30%
(4) 40%
10.
The current density varies with radial distance r as $J=ar^{2},$ in a cylindrical wire of radius R. The current passing through the wire between radial distance $R/3$ and $R/2$ is:
(1) $\frac{65\pi aR^{4}}{2592}$
(2) $\frac{25\pi aR^{4}}{72}$
(3) $\frac{65\pi aR^{4}}{2938}$
(4) $\frac{81\pi aR^{4}}{144}$
11.
A room heater is rated 500W, 220V, the resistance of the coil is:
(1) 100 Ω
(2) 90 Ω
(3) 75 Ω
(4) 96.8 Ω
12.
In the figure all bulbs are identical. The bulb that lights most brilliantly is: Bulbs Circuit
(1) 1 only
(2) 2 only
(3) 2 and 4
(4) 1 and 5
13.
How will the reading of ammeter change, if the key K is closed: Circuit
(1) Increase
(2) Decrease
(3) Remains same
(4) Information is insufficient
14.
Two identical bulbs are connected in parallel across an ideal source of emf E. The ammeter A and voltmeter V are ideal. If bulb $B_{2}$ gets fused, then: Circuit
(1) Reading of A will increase but that of V will remain same
(2) Reading of A will decrease but that of V will increase
(3) Reading of A will decrease but that of V will remain same
(4) Reading of A will increase and reading of V will also increase
15.
In order to quadruple the resistance of a uniform wire, a part of its length was uniformly stretched till the final length of the entire wire was 1.5 times the original length, the part of the wire was a fraction equal to
(1) $1/8$
(2) $1/6$
(3) $1/10$
(4) $1/4$
16.
On increasing the temperature thermal speed of electrons in a metallic conductor:
(1) increases
(2) decreases
(3) remain same
(4) may increase or decrease both
17.
A piece of wire of resistance 4 ohms is bent through $180^{\circ}$ at its mid point and the two halves are twisted together, then the resistance is :
(1) 8 ohms
(2) 1 ohm
(3) 2 ohms
(4) 5 ohms
18.
In hydrogen atom, the electron makes $6.6\times10^{15}$ revolutions per second around the nucleus in an orbit of radius $0.5\times10^{-10}$ m. It is equivalent to a current nearly
(1) 1 A
(2) 1 mA
(3) 1 μA
(4) $1.6\times10^{-19}A$
19.
The resistivity of a wire depends on its
(1) Length
(2) Area of cross-section
(3) Shape
(4) Material
20.
In an electrolyte $3.2\times10^{18}$ bivalent positive drift to the right per second while $3.6\times10^{18}$ monovalent negative ions drift to the left per second. Then the current is:
(1) 1.6 amp to the left
(2) 1.6 amp to the right
(3) 0.45 amp to the left
(4) 0.45 amp to the right
21.
There is a current of 20 amperes in a copper wire of $10^{-6}$ square metre area of cross-section. If the number of free electrons per cubic metre is $10^{29}$, then the drift velocity is:
(1) $125\times10^{-3}m/sec$
(2) $12.5\times10^{-3}m/sec$
(3) $1.25\times10^{-3}m/sec$
(4) $1.25\times10^{-4}m/sec$
22.
5 amperes of current is passed through a metallic conductor. The charge flowing in one minute in coulombs will be :
(1) 5
(2) 12
(3) $1/12$
(4) 300
23.
The relaxation time in conductors
(1) Increases with the increase of temperature
(2) Decreases with the increase of temperature
(3) It does not depend on temperature
(4) All of sudden changes at 400 K
24.
Which of the following has a negative temperature coefficient
(1) C
(2) Fe
(3) Mn
(4) Ag
25.
The n rows each containing m cells in series are joined in parallel. Maximum current is taken from this combination across an external resistance of 3Ω resistance. If the total number of cells used are 24 and internal resistance of each cell is 0.5 Ω then
(1) $m=8, n=3$
(2) $m=6, n=4$
(3) $m=12, n=2$
(4) $m=2, n=12$
26.
The equivalent resistance of resistors connected in series is always
(1) Equal to the mean of component resistors
(2) Less than the lowest of component resistors
(3) In between the lowest and the highest of component resistors
(4) Equal to sum of component resistors
27.
A copper wire of resistance R is cut into ten parts of equal length. Two pieces each are joined in series and then five such combination are joined in parallel. The new combination will have a resistance
(1) R
(2) $\frac{R}{4}$
(3) $\frac{R}{5}$
(4) $\frac{R}{25}$
28.
In the given circuit, the potential of the point E is: Circuit
(1) Zero
(2) -8 V
(3) -4/3 V
(4) 4/3 V
29.
The potential drop across the 3 Ω resistor is: Circuit
(1) 1 V
(2) 1.5 V
(3) 2 V
(4) 3 V
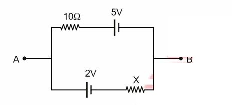
30.
If $V_{AB}=4V$ in the given figure, then resistance X will be : Circuit
(1) 5 Ω
(2) 10 Ω
(3) 15 Ω
(4) 20 Ω
31.
Five resistors of given values are connected together as shown in the figure. The current in the arm BD will be : Circuit
(1) Half the current in the arm ABC
(2) Zero
(3) Twice the current in the arm ABC
(4) Four times the current in the arm ABC
32.
Kirchhoff's second law is based on the law of conservation of:
(1) Charge
(2) Energy
(3) Momentum
(4) Sum of mass and energy
33.
Two heaters takes 10 minute and 20 minute time to heat same amount of water. If heaters are conncted in parallel, then what would be the time required to heat same amount of water?
(1) 30 minute
(2) $\frac{20}{3}$ minute
(3) 40 minute
(4) 15 minute
34.
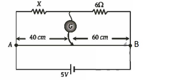
In the circuit shown, a meter bridge is in its balanced state. The meter bridge wire has a resistance $0.1~ohm/cm.$ The value of unknown resistance X and the current drawn from the battery of negligible resistance is: Circuit
(1) 6Ω, 5 amp
(2) 10Ω, 0.1 amp
(3) 4Ω, 1.0 amp
(4) 12Ω, 0.5 amp
35.
Consider a conductor of length 40 cm, where a potential difference of 10 V is maintained between the ends of conductor. Find out the mobility of the electrons, provided the drift velocity of the electrons is $5\times10^{-6}ms^{-1}.$
(1) $8\times10^{-7}m^{2}V^{-1}s^{-1}$
(2) $2\times10^{-7}m^{2}V^{-1}s^{-1}$
(3) $4\times10^{-6}m^{2}V^{-1}s^{-1}$
(4) $10^{-7}m^{2}V^{-1}s^{-1}$
36.
Each of the resistors shown in the figure has resistance R. Find the equivalent resistance between A and B : Circuit
(1) $\frac{7R}{4}$
(2) $\frac{5R}{4}$
(3) $\frac{9R}{4}$
(4) $\frac{11R}{4}$
37.
Two iron and copper wires are of same length have the same potential difference applied to them. What must be the ratio of their radii if the current is to be the same? Given $\rho$ of iron $=1\times10^{-7}\Omega-m$ and $\rho$ of copper $=1.7\times10^{-8}\Omega-m.$
(1) 1.7
(2) 2.4
(3) 3.4
(4) 5
38.
A potential difference V is applied to a copper wire of diameter d and length. If the potential difference is doubled, then the electron drift velocity will
(1) remain unchanged
(2) become doubled
(3) become half
(4) become four times
39.
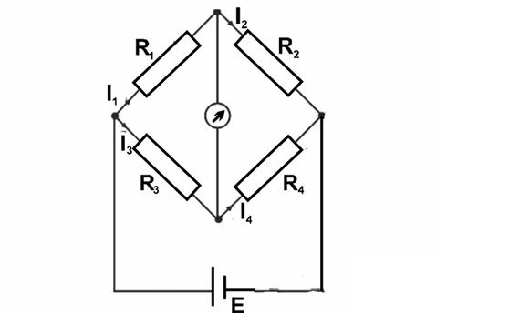
What is the current intensity in the separate arms of the Wheatstone's bridge shown in the figure, when it is balanced? The electro-magnetic field of generator = 2 V, $R_{1}=30~\Omega,$ $R_{2}=45~\Omega$ and $R_{3}=200~\Omega.$ Neglect the resistance of generator. Wheatstone Bridge
(1) $I_{1}=I_{2}=4mA, I_{3}=I_{4}=4mA$
(2) $I_{1}=I_{2}=4mA, I_{3}=I_{4}=26.7~mA$
(3) $I_{1}=I_{2}=26.7~mA, I_{3}=I_{4}=4mA$
(4) $I_{1}=I_{2}=26.7~mA, I_{3}=I_{4}=26.7~mA$
40.
For the circuit shown in the figure, potential difference $V_{B}-V_{A}$ is equal to: Circuit
(1) 4V
(2) -4V
(3) 6V
(4) -6V
41.
For the circuit shown in the figure, the potential difference $v_{c} - V$ in volts is equal to: Circuit
(1) 0 volts
(2) 6 volts
(3) -6 volts
(4) 8 volts
42.
When 0.4 V is applied to the ends of mercury column contained by a thin glass tube X, 5A current flows. Same mercury is poured into a glass tube Y which has diameter one third of the tube X. Then:
(1) The ratio of resistance of $H_{g}$ in the tube X to tube Y is $1/9$
(2) The ratio of resistance of $H_{g}$ in the tube X to tube Y is $1/81$
(3) Current in the tube Y is $5/9$ A
(4) Current in the tube Y is same
43.
For the circuit shown in the figure: Circuit
(1) the current in the 5Ω resistor is 1 A
(2) the current in the 5Ω resistor is 2 A
(3) $V_{A}-V_{B}=5~V$
(4) $V_{A}-V_{B}=10~V$
44.
In a half-deflection experiment, a galvanometer of resistance G is connected in series with a high resistance R and a cell of negligible internal resistance. A shunt resistance S is connected across the galvanometer such that the deflection becomes half of its original value. The resistance of the galvanometer G is:
(1) $G=S$
(2) $G=\frac{RS}{R-S}$
(3) $G=\frac{RS}{R+S}$
(4) $G=R-S$
45.
A steady current I flows through a long conducting wire whose cross-sectional area varies along its length. If the number density of charge carriers remains constant, which of the following statements is correct?
(1) Drift speed is same everywhere in the wire
(2) Current density is same everywhere in the wire
(3) Drift speed is inversely proportional to cross sectional area of the wire
(4) Both current denstiy and drift speed are independent of cross sectional area
View Solutions Key